回路电流法是以回路电流为未知量,由于回路电流自动满足()的约束,所以只需列写()个()方程,进而求解电路中相应变量的方法,下列叙述正确的。
A.KVL,n-1,KCL
B.KVL,b-n+l,KCL
C.KCL,n-1,KVL
D.KCL,b-n+1,KVL
试卷相关题目
- 1支路电流法是以()为未知量,已知b条支路,直接利用电路的结构约束(KCL,KVL)和元件约束(伏安特性)列写()个方程,进而求解电路中相应变量的方法,下列叙述正确的是()。
A.支路电流,2b
B.回路电流,2b
C.支路电流,b
D.回路电流,b
开始考试点击查看答案 - 2
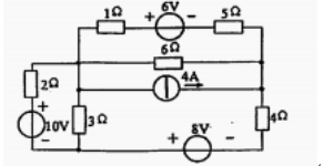
用网孔分析法计算图示电路中的网孔电流i为()。
A.1A
B.2A
C.3A
D.4A
开始考试点击查看答案 - 3
列出下图所示电路中对于A点(左上角)的结点电压方程()。

A.

B.

C.

D.
开始考试点击查看答案
- 4自动满足基尔霍夫第二定律的电路求解法是()。
A.支路电流法
B.回路电流法
C.结点电压法
D.网孔电流法
开始考试点击查看答案 - 5自动满足基尔霍夫第一-定律的电路求解法是()。
A.支路电流法
B.回路电流法
C.结点电压法
D.都满足
开始考试点击查看答案 - 6结点电压法是以结点电压为未知量,由于结点电压自动满足()的约束,所以只需列写()个()方程,进而求解电路中相应变量的方法,下列叙述诈确的是().
A.KVL,r-l,KCL
B.KVL,b-n+l,KCI
C.KCL,n-1,KVL
D.KCL,b-n+1,KVI
开始考试点击查看答案 - 7回路电流方程实质上是()的体现,而结点电压方程实质上是()的体现,下列叙述正确的是()。
A.KVL,KCL
B.KCL,KVL
C.KCL,KCL
D.KVL,RVL
开始考试点击查看答案 - 8在电路中,结构约束来自于元件的连接方式,电路中与一个结点相连接的各支路电流必须满足()的约束,与一个回路相联系的各支路电压必须满足()的约束。
A.KVL,KCL
B.KCL,KVL
C.KCL,KCL
D.KVL,KVL
开始考试点击查看答案 - 9对于具有n个结点、b条支路的电路的连通图,其树支数为(),连支数为()个,下列说法正确的是()。
A.b-n+1,n-1
B.n-1,b-n+1
C.b-n-1,n-1
D.n-1,b-n-1
开始考试点击查看答案 - 10对于一个具有n个结点、b条支路的电路,列写网孔电流方程,需要列写()。
A.n-1个KCL方程
B.b-n-1个KVL方程
C.n-1个KVL方程
D.b-n+1个KVL方程
开始考试点击查看答案
最新试卷
第八章 电力系统稳定性分析(暑假班1)
类别:电分课后习题第七章 电力习题简单故障分析与计算(暑假班2)
类别:电分课后习题第七章 电力习题简单故障分析与计算(暑假班1)
类别:电分课后习题第六章 电力系统故障的基本概念(暑假班2)
类别:电分课后习题第六章 电力系统故障的基本概念(暑假班1)
类别:电分课后习题第五章 电力系统无功功率和电压调整(暑假班2)
类别:电分课后习题第五章 电力系统无功功率和电压调整(暑假班1)
类别:电分课后习题第四章 电力系统有功功率和频率调整(暑假班2)
类别:电分课后习题第四章 电力系统有功功率和频率调整(暑假班1)
类别:电分课后习题第三章 电力系统潮流分析与计算(暑假班2)
类别:电分课后习题
湘公网安备:43011102000856号 
