手机扫码关注微信
随时随地刷题
试卷介绍
试卷预览
- 141[判断题]异步电动机的机械特性曲线中,临界转差率 sm 越大,说明电机在低速段的转矩储备越充足,抗过载能力越强。()(每题0.5分)
A.正确
B.错误(0.5)
开始考试练习点击查看答案 - 142[判断题]直流断路器加开关振荡回路目的是使电流过零。( )(每题 0.5分)
A.正确
B.错误(0.5)
开始考试练习点击查看答案 - 143[判断题]小扰动可以分析暂态稳定和静态稳定。( )(每题0.5分)
A.正确
B.错误(0.5)
开始考试练习点击查看答案 - 144[判断题]采用分裂电抗器代替普通电抗器减小了限制短路电流的作用。( )(每题 0.5分)
A.正确
B.错误(0.5)
开始考试练习点击查看答案 - 145[判断题]电压UAB=10V,IS=1A当电压源US单独作用时,电压UAB将为零。
(每题 0.5分)A.正确
B.错误(0.5)
开始考试练习点击查看答案 - 146[判断题]变压器带容性负载时,外特性曲线可能上升,此时电压调整率为负值。( )(每题 0.5分)
A.正确
B.错误(0.5)
开始考试练习点击查看答案 - 147[判断题]最大负荷时将电压中枢点的电压适当开高。最小负荷时将电压中枢点的电压适当降低, 电压中枢点的这种调压方式称为逆调压。( )(每题0.5分)
A.正确
B.错误(0.5)
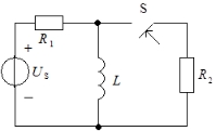
开始考试练习点击查看答案 - 148[判断题]图示电路在稳定状态下闭合开关S,该电路不产生过渡过程,因为换路未引起L的电流发生变化。
(每题 0.5分)A.正确
B.错误(0.5)
开始考试练习点击查看答案 - 149[判断题]变压器差动速断保护不需要励磁涌流闭锁。( )(每题 0.5分)
A.正确
B.错误(0.5)
开始考试练习点击查看答案 - 150[判断题]对距离保护来说,整定阻抗越小越灵敏,对电流保护来说,动作电流越大越灵敏。( )(每题 0.5分)
A.正确
B.错误(0.5)
开始考试练习点击查看答案
湘公网安备:43011102000856号 
