手机扫码关注微信
随时随地刷题
试卷介绍
试卷预览
- 31Zeta斩波电路的占空比为D,则输出电压uo 比输入电压ui 为()。
A.1/(1-D)
B.D/(1-D) X
C.1/D
D.1-D
开始考试练习点击查看答案 - 32单相交流调压电路中,阻感负载下稳态时触发角a的移相范围应为( )
A.0~π
B.0~90
C.0~φ
D.φ~π
开始考试练习点击查看答案 - 33当晶闸管承受反向阳极电压时,不论门极加何种极性触发电压,管子都将工作在(0.5)
A.导通状态
B.关断状态
C.饱和状态
D.不定
开始考试练习点击查看答案 - 34降压斩波电路中, 设平波电抗为无穷大,一个周期中, 忽略电路中的损耗, 电源提供的能量与负载消耗的能量的比值为( )(0.5)
A.2.0
B.1.0
C.0.5
D.1.5
开始考试练习点击查看答案 - 35单相半波可控整流电路,所带负载为阻感负载时,晶闸管关断时刻为( )(0.5)
A.负载电压ud 降至到 0 的瞬间
B.停止施加触发脉冲的时间
C.负载电流id 降低到 0 的时间
D.电源电压有正值变为负值的时间
开始考试练习点击查看答案 - 36下面器件只利用了一种载流子参与导电的是( )。(0.5)
A.晶闸管
B.电力场效应晶体管
C.绝缘栅双极型晶体管
D.电力晶体管
开始考试练习点击查看答案 - 37[单选题]加法滤波器(积分滤波器)的差分方程为:y(n)=x(n)+x(n-1)+x(n-2)。若采样频率600Hz,可以滤除( ),滤波器的时延为( )。(每题0.5分)(0.5)
A.直流信号;10/3ms
B.四次谐波; 10/3ms
C.六次谐波;5ms
D.四次谐波;5ms
开始考试练习点击查看答案 - 38[单选题] 元件固定连接的双母线电流差动保护在固定连接方式破坏,而差动保护的二次回路不能随之切换时,下列说法正确的是( )。(每题 0.5分)(0.5)
A.两组母线的差流回路都不能客观准确地反映两组母线上实际电流流入和流出值
B.当一组母线故障时,仍可以保证有选择性地只切除故障的一组母线
C.当一组母线故障时,只有大差动动作,小差动不动作,切除两组母线
D.区外故障时,大差动和两个小差动都动作,切除两组母线
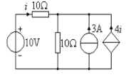
开始考试练习点击查看答案 - 39[单选题]如图所示,电流i等于( )A。
(0.5)A.0.33
B.-0.33
C.0.667
D.-0.667
开始考试练习点击查看答案 - 40[单选题]变压器并列运行时,若连接组别不同,会导致( )?(每题1分)(0.5)
A.负载分配不均
B.绕组产生巨大环流
C.电压调整率增大
D.效率下降
开始考试练习点击查看答案
湘公网安备:43011102000856号 
