手机扫码关注微信
随时随地刷题
试卷介绍
试卷预览
- 91[单选题]同步电动机处于欠励状态时,其功率因数的性质是( )?(每题0.5分)(0.5)
A.感性滞后
B.容性超前
C.纯电阻
D.无法确定
开始考试练习点击查看答案 - 92[单选题]某气体放电试验中,研究人员需测量 “电子在单位距离内撞击气体分子引发电离的概率”,该物理量对应的表征符号是( )。(每题0.5分)(0.5)
A.α
B.β
C.γ
D.λ
开始考试练习点击查看答案 - 93[单选题]在纯电容负载作三角形连接的三相对称电路中,各相XC=38W,电源线电压为380V,则三相负载的无功功率是( )。(每题0.5分)(0.5)
A.3.8 kVar
B.7.2 kVar
C.11.4 kVar
D.22.8 kVar
开始考试练习点击查看答案 - 94[单选题]某 10.5kV送电线路最大负荷电流为 1200A,可靠系数系数为 1.3,自启动系数为1.5,返回系数为 0.8,其定时限过电流保护的动作动作电流为()A。(每题 0.5分)(0.5)
A.2925
B.3125
C.3250
D.2645
开始考试练习点击查看答案 - 95[单选题]短路冲击电流在短路发生经过( )后出现。(每题 0.5分)(0.5)
A.0秒
B.半个周期
C.一个周期
D.两个周期
开始考试练习点击查看答案 - 96[单选题]中性点直接接地系统中发生A相接地短路,已知短路点的A相电流有效值等于3A, 则短路点的负序电流有效值等于()。(每题0.5分)(0.5)
A.1
B.3
C.9
D.0
开始考试练习点击查看答案 - 97[单选题]闭锁式距离纵联保护的停信元件在( )。(每题0.5分)(0.5)
A.距离纵联保护一段
B.方向圆特性距离纵联保护二段
C.距离纵联保护三段
D.偏移特性的距离纵联保护二段
开始考试练习点击查看答案 - 98[单选题]系统接线如图所示,图中参数均为归算到统一基准值下(SB=50MVA)的标幺值系统在f点发生a相接地,短路处短路电流为( )(每题1分)(0.5)

A.0.238kA
B.0.316kA
C.0.412kA
D.0.338kA
开始考试练习点击查看答案 - 99[单选题]在 110kV 及以上的配电装置中应尽可能选用( )。(每题1分)(0.5)
A.电容式电压互感器
B.电磁式电压互感器
C.油浸绝缘电磁式电压互感器
D.树脂浇注绝缘电磁式电压互感器
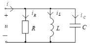
开始考试练习点击查看答案 - 100[单选题]如图示电路已达谐振状态,且i,iR和iL的有效值均为1A,则iC的有效值为( )A。
(每题0.5分)(0.5)A.0.41
B.-0.41
C.1
D.-1
开始考试练习点击查看答案
湘公网安备:43011102000856号 
