手机扫码关注微信
随时随地刷题
试卷介绍
试卷预览
- 81[单选题]实现振荡闭锁的方法不包括( )。(每题0.5分)(0.5)
A.阻抗变化率
B.负序零序分量是否出现
C.正序分量是否出现
D.负序零序分量的突变量化
开始考试练习点击查看答案 - 82[单选题]装设分段电抗器的作用是( )。(每题 1分)(0.5)
A.限制母线回路中的短路电流
B.吸收多余的无功功率
C.改善母线的电压质量
D.改进用户的功率因数
开始考试练习点击查看答案 - 83[单选题]变压器的冷却方式为ONAF,表示冷却方式为( )。
A.油浸自冷
B.油浸风冷
C.强迫油循环水冷
D.强迫油循环风冷
开始考试练习点击查看答案 - 84[单选题]某 110kV 电网采用变压器中性点经消弧线圈接地,当电网发生单相接地故障时,消弧线圈的核心作用是( )。(每题0.5分)(0.5)
A.补偿接地电容电流,熄灭接地电弧
B.提高电网电压,改善供电质量
C.限制短路电流,保护断路器
D.消除潜供电流,提高重合闸成功率
开始考试练习点击查看答案 - 85[单选题]已知复阻抗
,则其阻抗角j为( )。(每题0.5分)(0.5)A.

B.

C.

D.
开始考试练习点击查看答案
- 86[单选题]图示电路在换路前处于稳定状态,在t=0瞬间将开关S闭合,则
为( )A。
(每题0.5分)(0.5)A.0.2
B.-0.2
C.0.6
D.-0.6
开始考试练习点击查看答案 - 87[单选题]同步发电机过励运行时,定子电流相位( )端电压相位?
A.超前
B.滞后
C.同相
D.无关
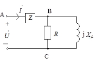
开始考试练习点击查看答案 - 88[单选题]图示正弦交流电路中,R=3W,wL=8W,
W,则
与总电压
的相位关系为( )。
(每题 0.5分)(0.5)A.
滞后于
度B.
超前于
度C.
滞后于
度D.
开始考试练习点击查看答案
超前于
度 - 89[单选题]发电机的中性点非有效接地采用以下哪种接地方式( )。(每题0.5分)(0.5)
A.不接地
B.直接接地
C.经消弧线圈接地
D.经高阻接地
开始考试练习点击查看答案 - 90[单选题]图示正弦电路中,
,
,且
与
同相,则复阻抗Z为( )。
(每题 0.5分)(0.5)A.

B.

C.

D.
开始考试练习点击查看答案
湘公网安备:43011102000856号 
