手机扫码关注微信
随时随地刷题
试卷介绍
试卷预览
- 11.如图所示,A、B两端间等效电阻为
为( )。
A.3
B.4
C.4.5
D.5
开始考试练习点击查看答案
- 12.如图所示电路中,每个电阻R均为8
,则等效电阻
为( )。
A.3
B.4

C.6
D.5
开始考试练习点击查看答案
- 13.如图所示电路中,等效电阻
为( )。
A.4
B.5
C.6
D.3
开始考试练习点击查看答案
- 14.如图所示电路中,R1=6Ω,R2=7Ω,R3=6Ω,R4=10Ω,则a、b两端的电阻
阻值为( )。
A.29
B.10
C.5
D.7
开始考试练习点击查看答案
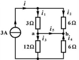
- 15.如图所示电路中,I=3A,R1=12Ω,R2=6Ω,则流过R1电阻的电流为( )。

A.2A
B.1A
C.0.5A
D.1.5A
开始考试练习点击查看答案 - 16.在三角形电路中

,则在星形电路中对应的
为( )。A.4
B.3
C.9
D.6
开始考试练习点击查看答案
- 17
.有三个小灯泡a,b,c,他们的额定电压均为220V,额定功率分别为20W,40W,60W。把他们串联在220V的电源后,他们的亮度排序中,以下哪个是正确的( )。A.a灯最亮
B.b灯最亮
C.c灯最亮
D.无法判断
开始考试练习点击查看答案 - 18
.已知左图中的US1=4V,IS1=2A。用右图所示的等效理想电流源代替左图所示的电路,该等效电流源的参数为( )。

A.6A
B.2A
C.-2A
D.-6A
开始考试练习点击查看答案 - 19
.如下图所示,R1=5,R2=10,R3=15,US1=10V,US2=20V,则该电路中( )。

A.I1=-2/11A;I2=8/11A
B.I1=2/11A;I2=10/11A
C.I1=-2/11A;I3=8/11A
D.I1=2/11A;I3=10/11A
开始考试练习点击查看答案 - 20.电路如下图所示,下列说法正确的是( )。

A.i1=1A;i2=2A
B.i1=2A;i2=2A
C.i1=2A;i3=1A
D.i1=1A;i3=2A
开始考试练习点击查看答案
湘公网安备:43011102000856号 
