试卷预览
- 21.“220V.100W”的灯泡,每天工作5h,问一个月(按30天计)耗( )度电。
A.15
B.20
C.25
D.10
开始考试练习点击查看答案 - 22.1度电就是1千瓦的功率做功1小时所消耗的电量,所以它的单位又叫( )。
A.kwh
B.kw/h
C.w/h
D.A/h
开始考试练习点击查看答案 - 23.某计算机厂要在规定的时间内生产一批计算机,如果每天生产140台,可以提前3天完成;如果每天生产120台,就要再生产3天才能完成,问规定完成的时间是多少天( )
A.30
B.33
C.36
D.39
开始考试练习点击查看答案 - 24.21 59 1117 2325 ( ) 9541
A.3129
B.4733
C.6833
D.8233
开始考试练习点击查看答案 - 25.有“220v.100w”“220v.25w”白炽灯两盏,并联后接入220v交流电源,其亮度情况是( )。
A.100w灯泡最亮
B.25w灯泡最亮
C.两只灯泡一样亮
D.不确定。
开始考试练习点击查看答案 - 26电路如下所示,求电流源功率为( )。
A.12W(吸收)
B.16W(发出)
C.16W(吸收)
D.12W(发出)
开始考试练习点击查看答案 - 27. 已知空间有
A.b两点,电压Uab=10v.a点电位为Va=4v,则b点电位Vb为( )。A .6伏;
B.-6伏;
C.3伏;
D.10伏。
开始考试练习点击查看答案 - 28. 对于桥型电阻电路.若电桥不平衡,计算等效电阻时,则( )。
A.把桥支路看做开路
B.把桥支路看做短路
C.必须运用Y-Δ的等效变换法
D.即可将桥支路开路,也可将桥支路看做短路
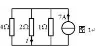
开始考试练习点击查看答案 - 29 .图1电路中电流i=( )
A.1A
B.2A
C.3A
D.4A
开始考试练习点击查看答案 - 30.A和B为正方体两个相对的顶点,一个点从A出发沿正方体表面以最短路径移动到B,则其可选择的路线有几条?
A.2
B.3
C.6
D.12
开始考试练习点击查看答案
湘公网安备:43011102000856号 
